各種規格除塵骨架
產品優勢
我公司生產的除塵骨架焊接牢固、外表光潔、挺直使濾袋不受損傷、應用輕巧、便于安裝和維護等特點,主要有扁袋型骨架、圓袋型骨架、信封型除塵骨架、圓袋彈簧型骨架,除塵袋籠的質量直接影響濾袋的過濾狀態和使用壽命。我公司具有強大的除塵骨架/除塵袋籠生產…
當前位置:網站首頁 > 產品中心
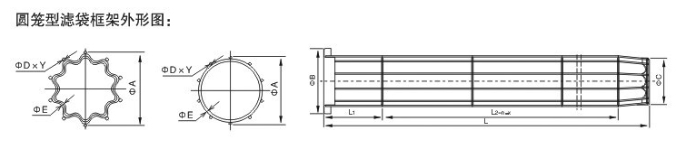
除塵器骨架也稱除塵袋籠,是濾袋的“肋骨”,采用專用設備一次焊接成型,材質為鐵絲或不銹鋼絲,表面后處理采用鍍鋅、噴塑、有機硅等方式。
我公司生產的除塵骨架焊接牢固、外表光潔、挺直使濾袋不受損傷、應用輕巧、便于安裝和維護等特點,主要有扁袋型骨架、圓袋型骨架、信封型除塵骨架、圓袋彈簧型骨架,除塵袋籠的質量直接影響濾袋的過濾狀態和使用壽命。
除塵器骨架分為:直徑125、160、250三種,長度按要求定做。




